产品参数
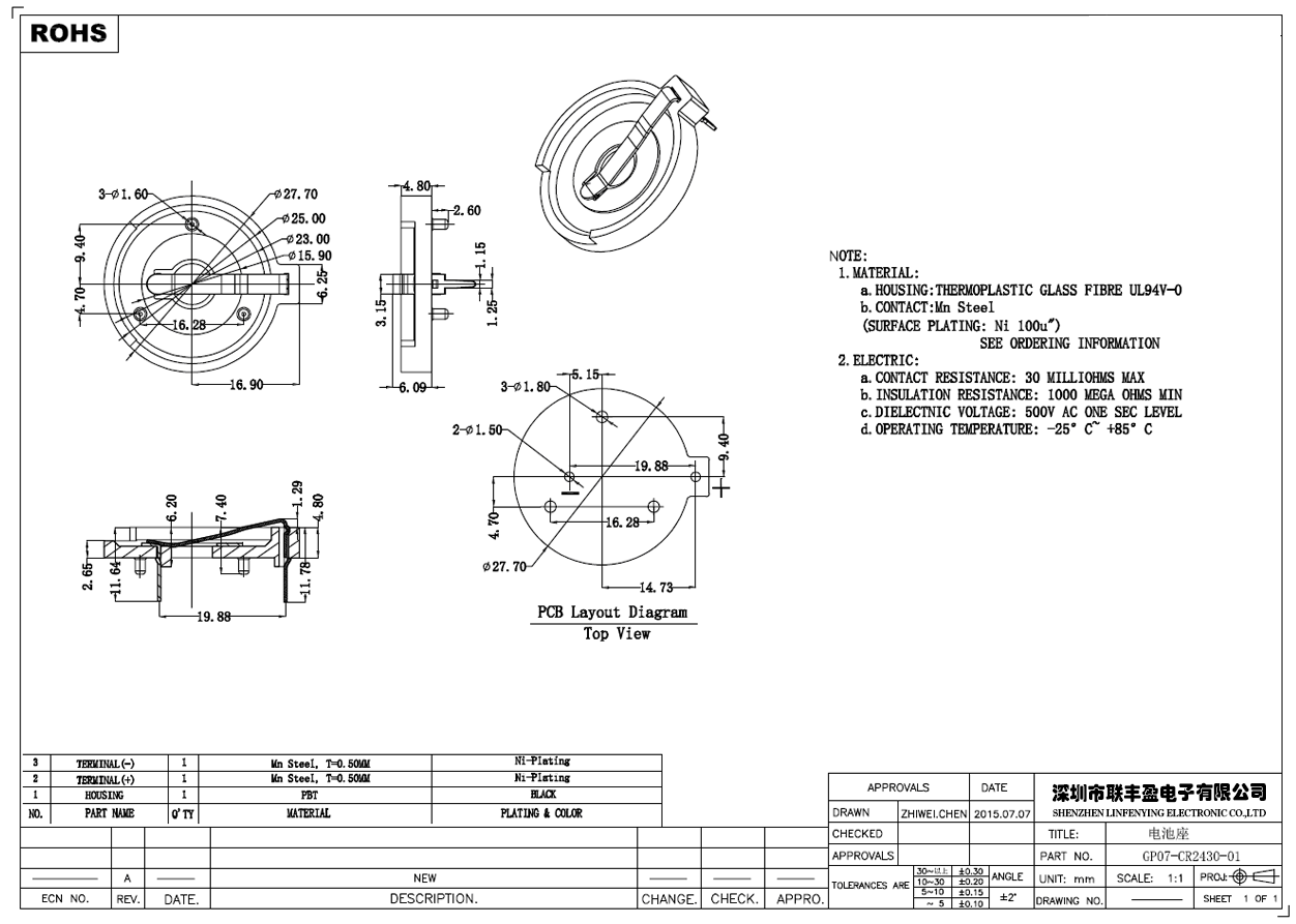
塑胶材质:1A=PBT BLACK ,1B=PA66 BLACK ,2A=PPA BROWN ,2B=PPA BLACK ,3A=PPS BROWN ,3B=PPS BLACK ,4A=LCP WHITE ,4B=LCP BLACK
电镀处理:A=Au1U" ,J=Ni100U" ~120U" ,K=SN100U" ~120U"
五金材质:锰钢
678cc彩票
使用温度:-25℃~+85℃

全国服务电话:0755-23003080 联系手机:13380318687 QQ:310093919 微信:310093919
公司地址:深圳市宝安区西乡街道铁岗社区宝田一路360号嘉皇源商业大厦
Copyright © 678cc彩票 版权所有 粤ICP备19070498号

