678cc彩票 产品分类:IDC插座连接器
产品型号:2.00 MOLEX 弹片型 IDC
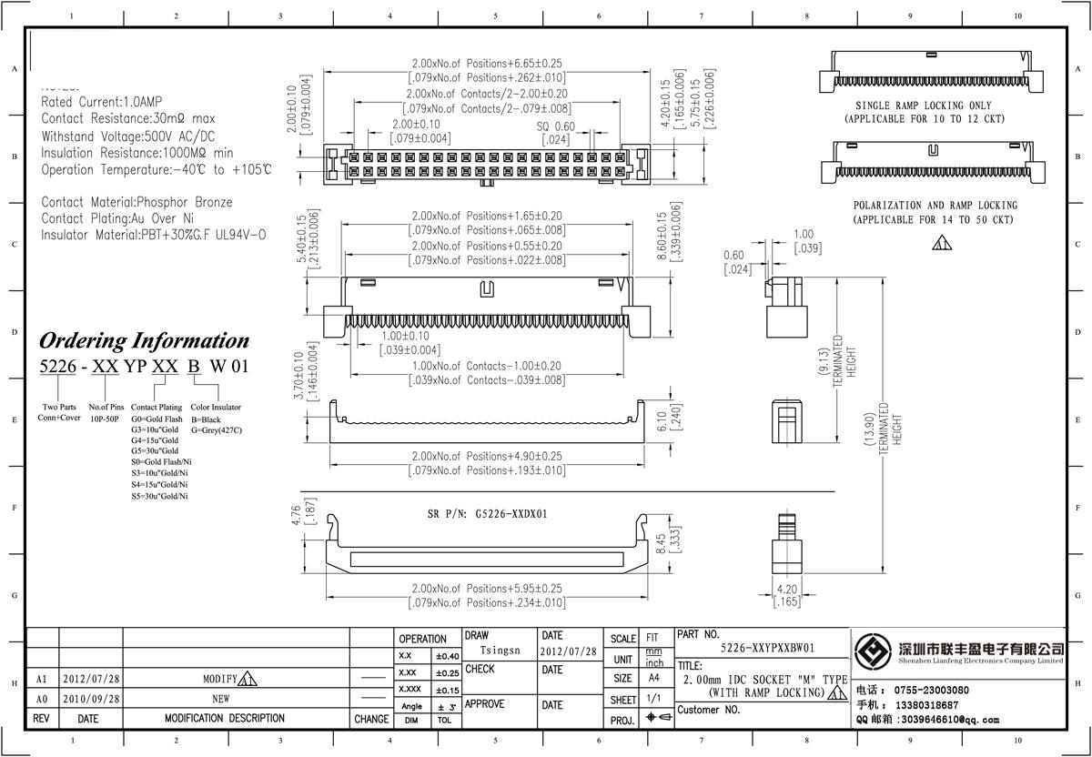
678cc彩票 技术参数:额定电流:1.0amp电流电阻:20mΩ最大绝缘电阻:1000mΩmin耐压:1000V AC /分钟工作温度:40﹣℃+ 105℃接触材料:磷青铜或黄铜触点电镀金/锡镍绝缘材料:聚酯(UL94V-O)标准:PBT的+ 30% GF
678cc彩票 产品用料:产品材料采用德国及日本进口塑胶原材料,保证产品质量的可靠性,稳定性。
生产设备:本公司引进台湾、日本进口注塑设备每每6~7秒钟开模一次、冲床冲速可达1300次/每分钟。
678cc彩票 产品品质:严格按照汽车及高端电子行业品质管理体系的要求管控生产管理的每一个环节。
服务客户:产品设计、开发、模具生产一体化,为每一位客户提供一条龙式服务,解决您的后顾之忧。


全国服务电话:0755-23003080 联系手机:13380318687 QQ:310093919 微信:310093919
公司地址:深圳市宝安区西乡街道铁岗社区宝田一路360号嘉皇源商业大厦
Copyright © 678cc彩票 版权所有 粤ICP备19070498号

